ホーム
カーニュース
ニューモデル
試乗記
道路交通/社会
モーターサイクル
ニュース
ニューモデル
試乗記
カーライフ
カスタマイズ
カーグッズ
カーオーディオ
モータースポーツ/エンタメ
リペア・
メンテナンス
EV特集
ロボット
AI
ビジネス
テクノロジー
キーパーソンインタビュー
業界動向
セミナー
見逃し配信
レポート
鉄道
船舶
航空
宇宙
海外イベントレポート
セミナー
見逃し配信
レポート
リスキリング
講座
ビジネス
会員について
ホーム
›
自動車 ビジネス
›
企業動向
›
記事
›
写真・画像
米テレダインの車載イーサネット・テストソリューション、丸文が取り扱い開始 2枚目の写真・画像
自動車 ビジネス
企業動向
2025年11月5日(水) 14時15分
《写真提供 丸文》
Teledyne LeCroy社の車載イーサネット・テスト・ソリューション
《写真提供 丸文》
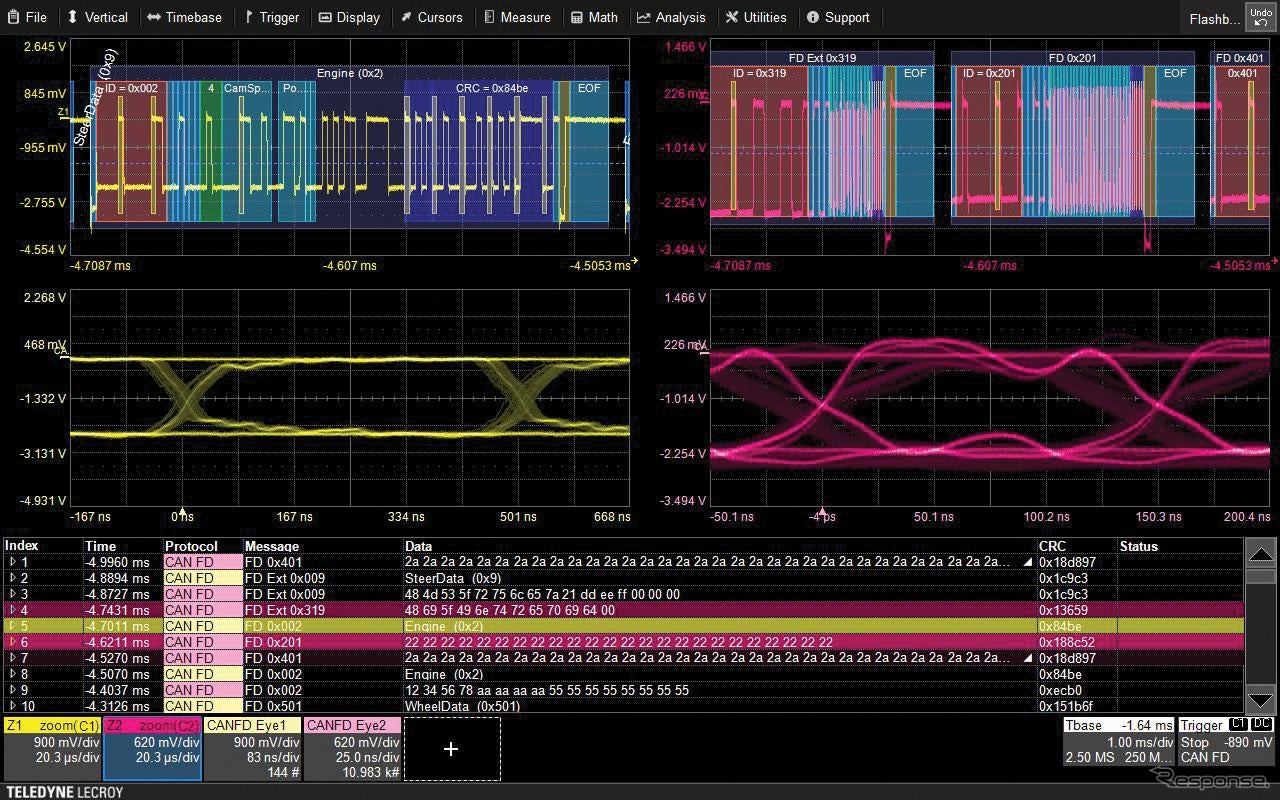
パソコンでの確認画面イメージ。トリガー、デコード、計測/グラフ、アイパターンの高度なデバッグ機能を同一画面上で可視化
の画像をさらに見る
この記事へ戻る
2/2
編集部おすすめのニュース
×